设为首页
|
加入收藏
首页
关于瀚网
服务支持详情
公司简介
荣誉资质
服务支持
合作伙伴
新闻中心
行业动态
公司新闻
技术规范
产品中心
对讲机
车载台
中继台
工程器件
软件应用
执法记录仪
集群系统
解决方案
星级酒店
公共安全
交通运输
轨道交通
石油化工
商业楼宇
隧道管廊
联系我们
首页2
服务与支持
解决方案
公共安全解决方案
公专融合解决方案
为什么选择瀚网
产品优势
数据优势
服务优势
精选权益
无线对讲系统
我们能帮您做什么
设备租赁
无线对讲机解决方案
石油化工无线对讲系统解决方案
建筑综合体无线对讲系统解决方案
管廊隧道无线对讲系统解决方案
智慧交通
出行
海外LBS
O2O
电商
社交
工程案例
最新资讯
行业动态
公司新闻
隧道无线对讲系统解决方案
来源:
|
作者:
pmo2bb63f
|
发布时间:
2017-05-04
|
2096
次浏览
|
🔊
点击朗读正文
❚❚
▶
|
分享到:
隧道无线对讲系统,隧道无线对讲系统可以在复杂的地理环境下实现真正的无缝覆盖,上海瀚网智能科技有限公司专注于隧道无线对讲系统方案设计施工安装调试.
背景介绍
虽然当今科学技术飞速发展,日新月异,但无论何种先进的
无线对讲系统
都无法做到在复杂的地理环境下实现真正的无缝覆盖,诸如大型建筑物、地下商场、隧道、地铁、机场等地域。
通常这些信号盲区范围一般不大,但对通信的需求依然存在,甚至必须保证良好的通信覆盖,例如:大型宾馆或会展中心内在举行重大商务活动时,因为室内
对讲机
信号太差导致安保工作无法高效执行,影响活动的正常进行;隧道内如果不能达到信号无缝覆盖会给交警在执勤或处理交通事故时带来极大的困难;
在解决上述小范围的专网信号补盲覆盖问题时,如果再架设对讲机基站因成本过高,施工复杂,在很大程度上造成资源的浪费,所以,我们致力于为用户提供一种性价比高、安装方便且具有对讲机小型基站功能的信号延伸放大设备——T直放站,以快速响应用户的通信需求。
隧道直放站覆盖解决方案
隧道多为狭长的筒状结构,由于山体树木等环境的阻挡,对信号的屏蔽性很强,一般都为信号盲区。对于在解决长隧道覆盖时且具备光纤链路时,可以安装光纤基站信号增强器来有效地解决隧道内网络覆盖不到的问题,由于光纤具有成本低、损耗小的特点,最远可拉20公里,这样可以无需考虑隔离度问题。
解决短隧道覆盖时,若隧道不具备光纤连路,可采用在隧道口附近用八木天线向隧道内进行覆盖,此方案具有工程安装简单,造价低的特点。在解决较长隧道或隧道内弯曲网络覆盖时,需要对隧道进行无源天线分布;也可以采用泄漏电缆的方案进行覆盖。
一、
组网技术解决方案
分体式直放站有
近端机
和
远端机
组成,按照近端机与远端机之间的链接方式可以分为光纤基站信号增强器和射频基站信号增强器。下面介绍光纤基站信号增强器。
光纤基站信号增强器
主天线接收到对讲机基站信号后,近端机的低噪放模块将信号进行放大,经过光纤模块将电信号转化为光信号后,通过光纤链路传输到远端机,远端
机将接收到的光信号转化为射频信号后再放大,最终通过重发天线将增强后的信号辐射到服务区,改善当地通话质量。
适用范围
:延伸基站覆盖范围,消除信号盲区、阴影区,改善服务区通话质量。
要求
:基站至服务区应具备光纤链路,且链路总长度不超过20公里。
主要特点
:无线接收基站信号,信号稳定;采用光纤传输,损耗小、成本低;近、远端机之间光纤最远可拉20公里,有效改善天线隔离度问题;一台近端机最多可连4台远端机,可实现覆盖范围更大的星型组网方式,适用于狭长隧道覆盖或室内信号覆盖。
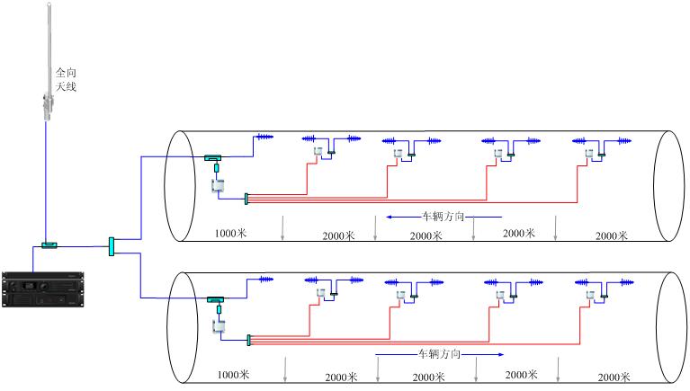
对于特长的隧道可以用一个近端机带多个远端机的方式来实现覆盖,示意图如下所示:
二、利用定向天线进行隧道内覆盖的通信系统的组成
如图所示,这种覆盖方式比较简单,信号源的引入可以采用无线引入也可以采用有线引入的方式。这种方式主要是针对隧道、地下通道路线比较直而且隧道距离不是很远的情况。当隧道距离较长时,随着距离的增加,信号在隧道内的衰减增加,造成整个隧道内的信号场强分布不均匀,容易出现掉话现象。
三、利用泄漏电缆(LCX)的隧道通信系统的组成
LCX通信系统也有有线引入和无线引入等几种信号引入方式。这种覆盖方式主要是针对距离长、路线弯曲的隧道。在隧道内全线铺设泄漏同轴电缆,其全线路的场强很平稳,可提供高质量的通信链路。
空间波和隧道内架设泄漏同轴电缆的系统构成如上图所示,在隧道口架设对讲机信号增强器近端机,将空间波能量放大后转送入泄漏同轴电缆,泄漏同轴电缆通过自身的槽孔将收到的信号辐射出去,在其周围形成泄漏电磁场,来实现移动台之间的通信。
如果隧道距离很远,沿着泄漏电缆将会存在非均匀的能量泄漏现象。大量的能量可能从首先到达的槽口泄漏出去,为了补偿电缆内电平在传递过程中不断下降造成的泄漏电平的下降,几种泄漏电缆路线可用几种不同耦合损耗的电缆依次串联而成,从而可以减小沿线接收信号电平的波动。
具体的隧道信号覆盖工程实际上是一项比较复杂的工作,需要根据不同的隧道实地勘测后制定具体的对讲机无线对讲信号覆盖方案。
上一篇:
矿井无线对讲系统解决......
下一篇:
铁路多媒体应急通信系......